Большой горизонтальный одноосевой поворотный стол ЧПУ HRT-1000 GSA+
| Модель: | ![]() |
HRT-1000 |
| Производитель: | ![]() |
GSA |
Большие горизонтальные одноосевые поворотные столы предназначены для горизонтальных и координатно-расточных ОЦ. Исполнение как с дискретным поворотом, так и непрерывное. Система зажима с большой поверхностью контакта обеспечивает большую жесткость при силовом резании.
Червячное колесо из бронзово-никелевого сплава в сочетании с червяком из закаленной стали обеспечивают высокую точность позиционирования длительное время. Вращение в прямом и обратном направлении. Основание стола может быть изготовлено по чертежам заказчика или под конкретную модель станка.
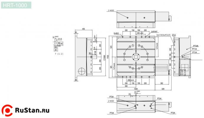
Технические характеристики HRT-1000 | ||
|---|---|---|
| Параметр | Ед. изм. | Значение |
| Размер стола | мм | 1000x1000 |
| Ширина Т-пазов | мм | 22Н7 |
| Общая высота | мм | 530 |
| Грузоподъемность | кг | 10000 |
| Усилие зажима | кгс | 10000 |
| Максимальный момент | кг*м | 300 |
| Повторяемость | с | 4" |
| Передаточное число | 1:360 | |
| Сервомотор Meldas | - | |
| Сервомотор Fanuc | a22i | |
| Сервомотор Siemens | - | |
| Сервомотор Heidenhein | - | |
Комментарии и вопросы:
Комментариев пока нет, но ваш может быть первым.Разметить комментарий или вопрос
Отзывы о HRT-1000:
Отзывов пока нет, но ваш может быть первым.Обозначение GSA используется исключительно для идентификации товаров соответствующего производителя. ООО "Компания "РуСтан" не является правообладателем товарного знака GSA и не аффилировано с правообладателем.



