Резцы чистовые широкие и специальные
Код товара: 44099
Резец Радиусный 20х30х125 внутренний, для обработки сферических поверхностей R=10мм Р6М5 (без маркировки) (45-140-056)
250 p
Код товара: 44098
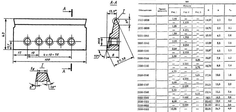
Резец Зубострогальный 100х43 тип 3, для диапазона модулей m 1,5-1,75 20° Р6М5 (2552-0041)
1 185 p
Код товара: 44100
814 p
Код товара: 44101
827 p
Код товара: 54058
827 p
Найдено товаров : 5


