Сварочный робот Raptor CRP-RH18-20-WL
3 500 000 руб.
с НДС - на 25.02.2026 г.
| Модель: | ![]() |
Raptor CRP-RH18-20-WL |
| Производитель: | ![]() |
Raptor |
Cварочный робот Raptor CRP-RH18-20-WL – это современный промышленный сварочный робот-манипулятор для автоматизации производственных процессов. Он оснащен 6-осевой системой управления, которая позволяет выполнять сложные движения с высокой точностью.
Особенности конструкции
- Сварочный робот может быть установлен на полу, потолке или рельсах, что расширяет рабочую зону.
- Гибкие кабели повышенной прочности исключают обрывы и сбои.
- Независимый аварийный выключатель обеспечивает дополнительную безопасность.
- Компактные размеры позволяют использовать его в ограниченных пространствах.
Технические характеристики Raptor CRP-RH18-20-WL |
||
|---|---|---|
| Количество Осей | 6 | |
| Максимальная нагрузка | 20 кг | |
| Движение по Осям | J1 | K полу или потолку -165°~165°, настенное -30°~30° |
| J2 | 0°~175° | |
| J3 | -80°~150° | |
| J4 | -190°~190° | |
| J5 | -90°~110° | |
| J6 | -210°~210° | |
| Скорость движения по Осям | J1 | 159°/секунду |
| J2 | 159°/секунду | |
| J3 | 169°/секунду | |
| J4 | 280°/секунду | |
| J5 | 240°/секунду | |
| J6 | 483°/секунду | |
| Допустимый момент силы | J4 | 48 Н·м |
| J5 | 48 Н·м | |
| J6 | 28 Н·м | |
| Допустимый момент инерции | J4 | 1.8 кг/м² |
| J5 | 1.8 кг/м² | |
| J6 | 0.8 кг/м² | |
| Повторное позиционирование | ±0.08 мм | |
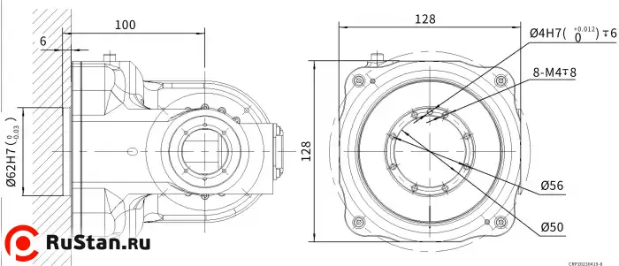
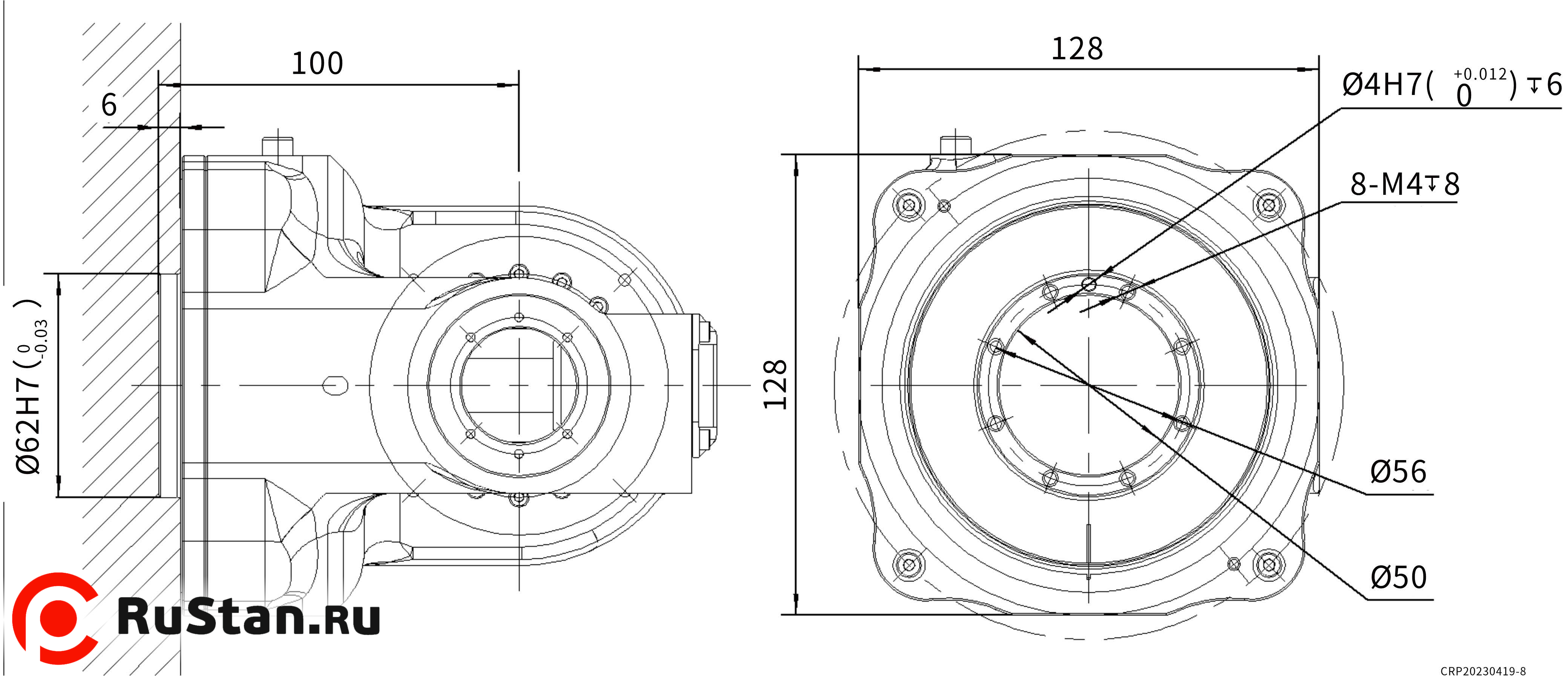
| Зона досигаемости | 1720 мм | |
| Вес робота | 285 кг | |
| Способ крепления | K поверхности пола или потолка, под углом | |
| Условия эксплуатации | Температура | 0–45°C |
| Влажность | 20–80% (при отсутствии выпадения конденсата) | |
| Вибрация | < 0.5 G | |
| Прочие | Устанавливать вдалеке от горючих, коррозионных жидкостей и газов, источников электрических помех | |
| Уровень IP | Оси J1-J4: IP54, оси J5-J6: IP67 | |
| Преимущества | Эргономичность, высокая скорость и точность | |
| Сферы применения | Резка, паллетирование, транспортировка, шлифовка, сварка | |
| Габаритные размеры (ДхШхВ), мм: | 1460х1337х600 | |
Характеристики блока управления CRP-E60-G4 |
||
|---|---|---|
| Характеристика | Значение | |
| Пульт обучения робота | TFT-LCD дисплей 8", кнопочное управление+сенсорный экран, переключатель режимов, предохранительное реле, кнопка аварийного отключения | |
| Пользовательская память | 200 Мбайт | |
| Количество управляемых осей | 6 осей робота + 2 внешние оси | |
| Интерфейс | Интерфейс цифрового ввода/вывода I/O, EtherCAT, 22 входа/выхода (расширяемый COM-интерфейс) | |
| 4-позиционный аналоговый выход 0...10 В, 12-битная точность (расширяемый COM-интерфейс) | ||
| 2-полосный интерфейс сигналов энкодера (отслеживание положения) | ||
| Коммуникационный порт Ethernet | ||
| Двойной USB-порт | ||
| Режим работы | Обучение, воспроизведение, удаленное управление | |
| Режим движения | От точки к точке, по прямой, по кругу | |
| Система команд | Движение, логика, процесс, эксплуатация | |
| Система координат | Координаты сочленения, прямоугольные координаты, координаты пользователя, координаты инструмента и координаты основания | |
| Функция выявления ошибок | Аномальный останов, аномальное состояние сервопривода, аномальные координаты пользователя, аномальные координаты инструмента, безопасное техобслуживание, аномальная дуга и т. д. | |
| Безопасность робота | Внешний аварийный останов, система предупреждения столкновений и предохранительный стопорный механизм; защитная микросхема, смягчение срабатывания сервопривода и т. д. | |
| Выделенные специализированные интерфейсы | Интерфейс для подключения аппарата для дуговой сварки, интерфейс для подключения рабочей станции | |
| Пакет программного обеспечения | С функциями сварки, манипуляции, паллетирования, окрашивания и распыления | |
| Прочее | Встроенный ПЛК, регенеративное торможение, интерфейс энкодера (с поддержкой синхронного ремня), отслеживание дуги и принадлежности (в дополнительной комплектации), программное обеспечение для визуального представления (в дополнительной комплектации), программное обеспечение для лазерного сопровождения (в дополнительной комплектации) и т.д. | |
| Соединительный кабель | 3 м | |
| Источник питания | 3 фазы, 380 В переменного тока / 50-60Гц | |
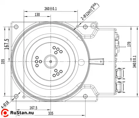
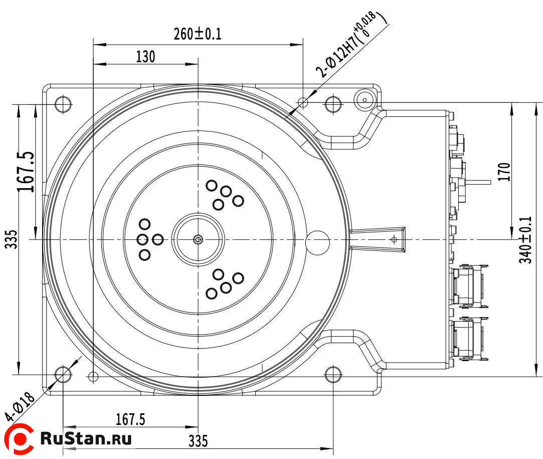
| Размеры | 550мм x 785мм x 410мм | |
| Вес Raptor CRP-RH18-20-WL | 90 кг | |
Базовая комплектация
- Промышленный робот CRP-RH18-20 – 1шт.
- Шкаф электроавтоматики G4 380В – 1шт.
- Пульт оператора – 1шт.
- Пульт обучения робота – 1шт.
- Соединительные кабели – 1 комплект
Комплектация за дополнительную плату
Комментарии и вопросы:
Комментариев пока нет, но ваш может быть первым.Разметить комментарий или вопрос









